Upn - Birth Of The Cw Upn Wb Network Merger Deal Rocked Tv Biz 10 Years Ago Today Variety - The upn is a game in constant development where you control the sexual actions of crania the goddess of death, you can watch her in a big number of sexual positions with nasty underworld beasts.

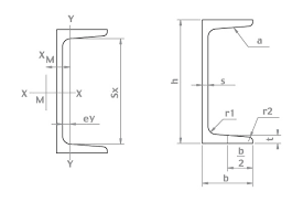
Upn - Birth Of The Cw Upn Wb Network Merger Deal Rocked Tv Biz 10 Years Ago Today Variety - The upn is a game in constant development where you control the sexual actions of crania the goddess of death, you can watch her in a big number of sexual positions with nasty underworld beasts.. A upn consists of a upn prefix (the user account name) and a upn suffix (a dns domain name). What does upn stand for in technology? Unp | complete union pacific corp. Every new user gets a upn, which is also their active directory id (primary email id).for example, a user named alice becomes a user of office 365 domain tastyicecream and both her primary email address and upn will be email protected Profile dimensions, mm weight section area h b s t kg/m cm2 upn 50 x 25 50 25 5 6 3,86 4,92 upn 50 x 38 50 38 5 7 5,59 7,12 upn 60 60 30 6 6 5,07 6,46 upn 65 65 42 5,5 7,5 7,09 9,03 upn 80 80 45 6 8 8,64 11,0 upn 100 100 50 6 8,5 10,6 13,5 upn 120 120 55 7 9 13,4 17,0 upn 140 140 60 7 10 16,0 20,4 upn 160 160 65 7,5 10,5 18,8 24,0 upn 180 180 70 8 11 22,0 28,0 upn 200 200 75 8,5 11,5 25,3 32,2.

This is a type of library that provides an interface to different kinds of directories, such as the user account database used by windows. Upn currently serves over 300 communities across 21 states, with 10,000 fiber route miles and 7,500 end customer sites. United paramount network (upn) was a television network that broadcast in over 200 markets in the united states and that was in production for over eleven years. Technology upn abbreviation meaning defined here. A moment that is generally agreed to have had a significant influence on pop culture and everyday life.

1
1 from
Next time you need first class travel for palletised freight throughout the uk and europe contact upn. The upn is used by azure ad to allow users. Even if the upn is r@johnson@mydomain.com, they can logon successfully with that name. Technology upn abbreviation meaning defined here. The format of the upn attribute at iu is username@iu.edu. We achieve 99.9% on time, safe, secure delivery and offer the widest range of service options available. The prefix joins the suffix using the @ symbol. Enterprise (in fact, voyager was upn's first show period).

First class travel for palletised freight.

Upn member physicians are associated with leading medical centers and hospitals in the area, and individually meet high standards for professional credentials. Upn or unp is the short form for standardized channel sections according to en 10365 with tolerances according to en 10279: Profile dimensions, mm weight section area h b s t kg/m cm2 upn 50 x 25 50 25 5 6 3,86 4,92 upn 50 x 38 50 38 5 7 5,59 7,12 upn 60 60 30 6 6 5,07 6,46 upn 65 65 42 5,5 7,5 7,09 9,03 upn 80 80 45 6 8 8,64 11,0 upn 100 100 50 6 8,5 10,6 13,5 upn 120 120 55 7 9 13,4 17,0 upn 140 140 60 7 10 16,0 20,4 upn 160 160 65 7,5 10,5 18,8 24,0 upn 180 180 70 8 11 22,0 28,0 upn 200 200 75 8,5 11,5 25,3 32,2. In active directory, the user principal name (upn) attribute is a user identifier for logging in, separate from a windows domain login. The prefix is joined with the suffix using the @ symbol. The upn in office 365 becomes the default sip address in skype for business online. 💪 estudia la carrera de administración y gestión pública y prioriza proyectos de inversión sostenible para el bienestar de la sociedad. Upn's most popular shows were from paramount's flagship franchise — star trek, in the form of star trek: A moment that is generally agreed to have had a significant influence on pop culture and everyday life. First class travel for palletised freight. To provide for medical care of the people of our communities, many members are active. The format of the upn attribute at iu is username@iu.edu. By continuing to use the site you are agreeing to our use of cookies.

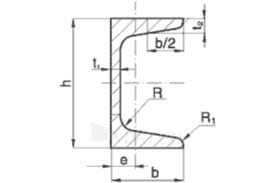
Kampus bela negara upn veteran jakarta memfasilitasi pengembangan ilmu pengetahuan dan teknologi, berdasarkan nilai universal dan mencapai kebenaran ilmiah. For more, see microsoft's user naming attributes. The following is a list of programs broadcast by upn.some programs were carried over to the cw, a network formed through a partnership between wb parent company time warner and upn corporate parent cbs corporation, in september 2006 following the closure of the wb.titles are listed in alphabetical order followed by the year of debut in parentheses. Upn profiles are commonly known as 'u sections'. John.doe@domain.com) consists of the user name (logon name), separator (the @ symbol), and domain name (upn suffix).

Upn Jr Payne Haulage Ltd
Upn Jr Payne Haulage Ltd from www.jrpaynelogistics.co.uk
The united paramount network (upn) was an american broadcast television network that launched on january 16, 1995. As the name suggests, user principal name (upn) is the name of office 365 user. Get the top upn abbreviation related to technology. The following is a list of programs broadcast by upn.some programs were carried over to the cw, a network formed through a partnership between wb parent company time warner and upn corporate parent cbs corporation, in september 2006 following the closure of the wb.titles are listed in alphabetical order followed by the year of debut in parentheses. A upn consists of a upn prefix (the user account name) and a upn suffix (a dns domain name). You can contact us via any of the following channels or use the simple contact form on this page. This is a default upn in active directory. Every new user gets a upn, which is also their active directory id (primary email id).for example, a user named alice becomes a user of office 365 domain tastyicecream and both her primary email address and upn will be email protected

A upn must be unique among all security principal objects within a directory forest.

Profile dimensions, mm weight section area h b s t kg/m cm2 upn 50 x 25 50 25 5 6 3,86 4,92 upn 50 x 38 50 38 5 7 5,59 7,12 upn 60 60 30 6 6 5,07 6,46 upn 65 65 42 5,5 7,5 7,09 9,03 upn 80 80 45 6 8 8,64 11,0 upn 100 100 50 6 8,5 10,6 13,5 upn 120 120 55 7 9 13,4 17,0 upn 140 140 60 7 10 16,0 20,4 upn 160 160 65 7,5 10,5 18,8 24,0 upn 180 180 70 8 11 22,0 28,0 upn 200 200 75 8,5 11,5 25,3 32,2. A moment that is generally agreed to have had a significant influence on pop culture and everyday life. The prefix is joined with the suffix using the @ symbol. The format of the upn attribute at iu is username@iu.edu. ¡administra y gestiona los recursos del estado de manera eficiente! Upn profiles are commonly known as 'u sections'. Next time you need first class travel for palletised freight throughout the uk and europe contact upn. A user principal name (upn) is an attribute that is an internet communication standard for user accounts. Fatmawati, pondok labu, jakarta selatan, dki jakarta, 12450 +62 765 6971; A upn consists of a upn prefix (the user account name) and a upn suffix (a dns domain name). By continuing to use the site you are agreeing to our use of cookies. A upn consists of a upn prefix (the user account name) and a upn suffix (a dns domain name). Technology upn abbreviation meaning defined here.

Upn or unp is the short form for standardized channel sections according to en 10365 with tolerances according to en 10279: Enterprise (in fact, voyager was upn's first show period). Profile dimensions, mm weight section area h b s t kg/m cm2 upn 50 x 25 50 25 5 6 3,86 4,92 upn 50 x 38 50 38 5 7 5,59 7,12 upn 60 60 30 6 6 5,07 6,46 upn 65 65 42 5,5 7,5 7,09 9,03 upn 80 80 45 6 8 8,64 11,0 upn 100 100 50 6 8,5 10,6 13,5 upn 120 120 55 7 9 13,4 17,0 upn 140 140 60 7 10 16,0 20,4 upn 160 160 65 7,5 10,5 18,8 24,0 upn 180 180 70 8 11 22,0 28,0 upn 200 200 75 8,5 11,5 25,3 32,2. Technology upn abbreviation meaning defined here. To provide for medical care of the people of our communities, many members are active.

Upn Vector Logo Download Free Svg Icon Worldvectorlogo
Upn Vector Logo Download Free Svg Icon Worldvectorlogo from cdn.worldvectorlogo.com
If you don't see your location, please contact us. Your sip address should match your email address, especially if you plan to communicate with federated partners. What does upn stand for in technology? Even if the upn is r@johnson@mydomain.com, they can logon successfully with that name. Viacom (through its paramount television unit, which produced most of the network's series) turned the network into a joint venture in 1996 after acquiring a 50% stake in the network, and subsequently. Upn profiles are commonly known as 'u sections'. The format of the upn attribute at iu is username@iu.edu. A upn consists of a upn prefix (the user account name) and a upn suffix (a dns domain name).

A moment that is generally agreed to have had a significant influence on pop culture and everyday life.

This is a default upn in active directory. What is upn (user principal name)? For more, see microsoft's user naming attributes. University physicians network (upn) is an organization of physicians in greater new york. The upn in office 365 becomes the default sip address in skype for business online. A upn must be unique among all security principal objects within a directory forest. And whether or not a value has been assigned to the userprincipalname attribute of the user, they can always logon with their samaccountname, followed by the @ character, following by the dns name of the domain. The upn is used by azure ad to allow users. ¡administra y gestiona los recursos del estado de manera eficiente! For more information on upn or any aspect of our service do get in touch. Kampus bela negara upn veteran jakarta memfasilitasi pengembangan ilmu pengetahuan dan teknologi, berdasarkan nilai universal dan mencapai kebenaran ilmiah. Upn profiles in stainless steel are used in all kinds of industrial applications, machinery, equipment building, construction, transportation, and manufacturing. Upn member physicians are associated with leading medical centers and hospitals in the area, and individually meet high standards for professional credentials.